Somos especialistas en proyectos de electricidad industrial, desarrollando todos los puntos que en ellos se incluyen:
- Estudios de viabilidad
- Estudios de la rentabilidad de la inversión, donde se incluye el análisis de tarifas

- Pliegos de bases de licitación, en los que se incluyen diseños básicos
- Planificación y Planes directores
- Asistencia Técnica y Redacción de Proyectos
- Diseños de detalle
- Supervisión de las obras y de la puesta en marcha
- Gestión de proyectos y gestión de construcción
- Proyectos llave en mano
- Control de costes y control de planificación
- Gestión de riesgos, auditorías técnicas
- Seguridad, salud y control de calidad
En general, dentro de la ingeniería eléctrica podemos hacer:
Cálculos:
- Embarrados.
- Corrientes de cortocircuito.
- Caídas de tensión.
- Cables.
- Baterías de condensadores.
Delineación:
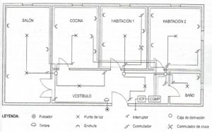
- Planos de Implantación de Equipos y tubos, bandejas, rutados, etc.
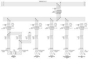
- Esquemas unifilares.
- Esquemas desarrollados eléctricos
Control y Gestión de Compras:
Documentación para Peticiones de Oferta:
- Definición de equipos.
- Especificaciones de armarios.
- Definición de los datos tecnicos de materiales para montaje eléctrico.
- Especificaciones de montaje eléctrico.
- Listados de Materiales de bandeja y cables.
Contratación:
- Montaje eléctrico
- Armarios eléctricos
- Diseño.
- Control
- Supervisión de los proyectos.

